淺談第三型用于中碎的蕈形碎石機
前兩天本碎石機網站主要陳述了兩種類型的碎石機并配圖做輔助分析,今天說餓第三型錐形碎石機,也是裝有蕈狀軋頭的蕈狀碎石機,它可以對各種不同強度的礦石做中碎的工作,尺寸為40-350mm的礦石,在需要的時候還能軋碎預先洗過的黏質巖石。
若與前兩天講述的前列和第二型錐形碎石機相比較,這種設備的蕈狀軋頭擺動頻率大,可有效提高石料的粉碎率。還可以將用于中碎的蕈狀碎石機,分為標準式、普通式、短軋頭式這三種類型。
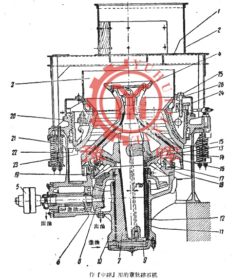
裝有蕈狀軋頭的碎石機如圖所示,作中碎用的蕈狀碎石機(標準式),這碎石機,靠了裝有給料斗2的特種裝料臺1,來均勻給料。較初,物料是進入分配器4的裝料漏斗中,這是一種碟式的分配器,它安裝在扎頭的上部;若分配器進行擺動,物料將會落在軋石空隙中。這樣以來軋好后的物料成品從碎石設備的下面自由卸出,而用帶式或其他運送器將物料運送走,運送器的選擇根據用途來選用。

河南豫暉碎石機廠家提供關于碎石設備的全面信息,以上內容是蕈形碎石機初期的認識,相關深入內容的常識,敬請期待明天佳作,歡迎新老朋友到廠參觀考察!
新聞資訊最新文章

